產品描述:
KCB-300齒輪油泵的齒輪均選用好的合金鋼,經調質,滾齒-熱處理(高頻淬火,滲碳,氮化)剃齒,磨齒精加工而成,軸硬度強度高,齒面精度高,運轉噪音低,脈沖小,壽命更長;......
全國服務熱線:18932770289
我要詢價產品描述


KCB-300齒輪油泵主要有齒輪、軸、泵體、泵蓋、軸承套、軸端密封(特殊要求,可選用磁力驅動,零泄露結構)等組成。生產過程實行質量監控,各環節經層層質量檢驗,為用戶產品長期穩定運作提供保障。
KCB-300齒輪油泵的齒輪均選用好的合金鋼,經調質,滾齒-熱處理(高頻淬火,滲碳,氮化)剃齒,磨齒精加工而成,軸硬度強度高,齒面精度高,運轉噪音低,脈沖小,壽命更長;
KCB-300齒輪油泵內設計合理的泄油和回油槽,使齒輪在工作中承受的扭矩力小,因此軸承負荷小、磨損小,泵效率更高;
泵設有保護閥作超載保護,保護閥的全回流壓力為泵額定排除壓力的1.5倍,也可在允許排除壓力范圍內根據實際需要另外調整,但本保護閥不能做減壓閥長期工作,從主軸外伸端向泵看為順時針旋轉;
KCB-300齒輪油泵內全部零件的潤滑均在泵工作時利用輸送介質而自動達到;
KCB-300齒輪油泵主傳動齒輪是四個斜齒輪組成的人字形齒輪組,差壓式安全閥。
KCB-300齒輪油泵采用三爪式彈性聯軸器與電動機組成的油泵機組。
KCB齒輪油泵本系列齒輪輪油泵結構簡單緊湊,使用維護方便,運轉平穩,使用安全可靠。
從主軸外伸端向泵看,為順時針旋轉。
KCB-300齒輪油泵適用于輸送不含固體顆粒和纖維,無腐蝕性,溫度不高于80℃,粘度為5×10-6~1.5×10-3m2/s(5-1500cSt)的潤滑油或性質類似潤滑油的其他液體以及用于液壓轉動系統。
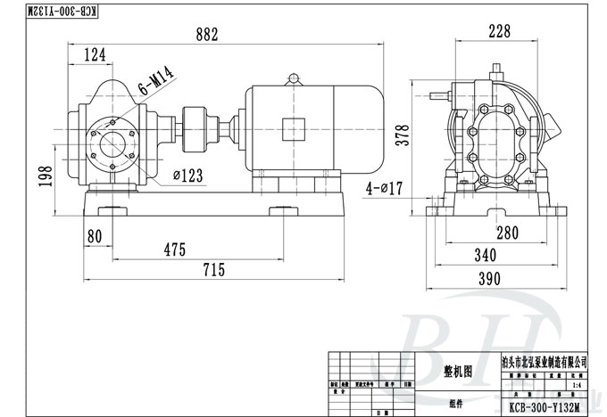
KCB-300齒輪油泵機安裝尺寸圖

KCB-300齒輪油泵性能參數表:
| 型號 | 流量 Q | 轉速 n r/min | 排出壓力 p Mpa | 汽蝕余量 r m | 效率 η % | 電動機 | ||
| m3/h | L/min | 功率KW | 型號 | |||||
| KCB-18.3 | 1.1 | 18.3 | 1400 | 1.45 | 5 | 44 | 1.5 | Y90L-4 |
| 2CY-1.1/1.45 | ||||||||
| KCB-33.3 | 2 | 33.3 | 1420 | 1.45 | 5 | 44 | 2.2 | Y100L1-4 |
| 2CY-2/1.45 | ||||||||
| kcb-55 | 3.3 | 55 | 1400 | 0.33 | 7 | 41 | 1.5 | Y90L-4 |
| 2CY-3.3/0.33 | ||||||||
| KCB-83.3 | 5 | 83.3 | 1420 | 0.33 | 7 | 43 | 2.2 | Y100L1-4 |
| 2CY-5/0.33 | ||||||||
| KCB-135 | 8 | 135 | 940 | 0.33 | 5 | 46 | 2.2 | Y112M-6 |
| 2CY-8/0.33 | ||||||||
| KCB-200 | 12 | 200 | 1440 | 0.33 | 5 | 46 | 4 | Y112M-4 |
| 2CY-12/0.33 | ||||||||
| KCB-300 | 18 | 300 | 960 | 0.36 | 5 | 42 | 5.5 | Y132M2-6 |
| 2CY-18/0.36 | ||||||||
| KCB-483.3 | 29 | 483.3 | 1440 | 0.36 | 5.5 | 42 | 11 | Y160M-4 |
| 2CY-29/0.36 | ||||||||
| KCB-633 | 38 | 633 | 970 | 0.28 | 6 | 43 | 11 | Y160L-6 |
| 2CY-38/0.28 | ||||||||
| KCB-960 | 58 | 960 | 1470 | 0.28 | 6.5 | 43 | 18.5 | Y180M-4 |
| 2CY-58/0.28 | ||||||||
| KCB-1200 | 72 | 1200 | 740 | 0.6 | 7 | 43 | 37 | Y280S-8 |
| KCB-1600 | 95 | 1600 | 980 | 45 | Y280S-6 | |||
| KCB-1800 | 112 | 1800 | 740 | 0.6 | 7.5 | 43 | 55 | Y315S-8 |
| KCB-2500 | 150 | 2500 | 985 | 75 | Y315S-6 | |||
| KCB-2850 | 170 | 2850 | 740 | 0.6 | 8 | 44 | 90 | Y315L1-8 |
| KCB-3800 | 230 | 3800 | 989 | 110 | Y315L1-6 | |||
| KCB-4100 | 245 | 4100 | 743 | 0.6 | 8 | 44 | 132 | Y355M1-8 |
| KCB-5400 | 325 | 5400 | 989 | 160 | Y355M1-6 | |||
| KCB-5600 | 330 | 5600 | 744 | 0.6 | 8 | 44 | 160 | Y355M2-8 |
| KCB-7600 | 460 | 7600 | 989 | 200 | Y355M3-6 | |||
| KCB-7000 | 420 | 7000 | 744 | 0.6 | 8 | 44 | 185 | Y355L1-8 |
| KCB-9600 | 570 | 9600 | 989 | 250 | Y355L2-6 | |||
上一篇: KCB-55齒輪油泵
下一篇: KCB-135齒輪油泵



